本笔记内容或有错误,仅供参考
本文 All Right Reserved 保留所有权利,禁止商用和任何形式的转载!
Unit 1: Electronics
Electrostatics 静电
Charge 电荷
- 正(Positive) / 负(Negative) 电荷
- 元电荷(Elementary Charge) \(e =
1.6\times 10^{-19}\text{c}\)
- 其中 \(\text{c}\) 为国际单位
库仑
- 其中 \(\text{c}\) 为国际单位
- 电荷是守恒的,不会凭空产生也不会凭空消失,只可能从一个地方移动到另一个地方
Polarization and Induced Charges 极化和诱导带电
- 如图所示, C 带正电荷, 棍子的左半部分就会被诱导带负电荷,右边的部分就会被诱导带正电荷,但整体是电中性(也就是不带电)的
- 若此时将中间断开,那么左半部分整体就会带负电(而不是电中性),右半部分亦然

- 2015 AP:
C, 整个圆球是不带电的,电荷守恒
- 若支架为导体,答案为何?
- 将圆球和支架视为一个整体,不难发现,这是一个竖直导体,当左边的棒子诱导带电,竖直导体的上半部分(也就是圆球),会带正电,而下半部分就会带负电。
- 所以答案会变成
A.
- 若左边的棒子直接接触圆球会怎样?
- 所有来自棒子的负电荷都会转移到球形导体上,使球体带负电荷。
- 若支架为导体,答案为何?
Coulomb’s Law 库仑定律
- 库仑定律(Coulomb’s Law)定义了,若两个带电粒子之间的电荷量为 \(q_1\) 和 \(q_2\) ,相隔距离为 \(r\),则两电荷作用力为:
\[ F = k \frac{q_1q_2}{r^{2}} \]
其中 \(k = \frac{1}{4\pi \epsilon_0}\)
Compared to the Gravitation 与重力的比较
\[ F_G = G \frac{m_1m_2}{r^{2}} \quad F_E = k \frac{q_1q_2}{r^{2}} \]
- 观察重力的公式
- 相似性: 形式上, 力都正比于距离的平方分之一(也就是反比于距离的平方) \(F \propto \frac{1}{r^2}\)
- 不同: 方向不同(取决于电荷符号), 大小不同(\(G\) 和 \(k\) 的巨大差异)
Superposition 叠加
- 向量(Vector)加法,不过多赘述

2016 AP:
C
与
-Q之间的距离是长于与两个+Q之间的距离的(三角形斜边大于其他两边),所以经过力的合成我们可以很显然的得到答案为CCrack AP FRQ: 两个质量为 \(m\) 的小球分别带有电荷 \(+q\)。 他们以如图所示的方式,通过长度为 \(L\) 的细绳悬挂起来,并且因为相互的斥力隔开了一段距离。找到可以使得他们最终达到平衡的距离 \(x\),以 \(m\), \(q\) 和 \(L\) 的形式表达。 (提示:若 \(\theta\) 很小, 那么 $$)

此题仅作思考,答案自寻
Three Charge Superposition 三个点电荷共线平衡问题
- 结论
- 方向交替(也就一定是
正负正,或者负正负) - 两边的电荷量一定大于中间的

- 方向交替(也就一定是
- 结论
Semicircle Model Practice 半圆模型
- Crack AP FRQ: 一个细导体均匀地带有电荷,密度为 \(\lambda = Q / L\),然后将这个细导体弯成半径为 \(R\) 的半圆, 将一个电荷 \(+Q\) 放到该半圆的中心。计算该电荷所受到的电磁力。

- 由于该问题并不是简单的点电荷,而是一段连续体,所以我们优先考虑一小段电荷 \(\mathrm{d}q\) 所产生的力 \(\mathrm{d}F\)
- 其次,问题具有良好的对称性,这意味着其水平方向上力的分量均可以被相互抵消,从而只需要计算竖直方向上的分量 \(\mathrm{d}F_y\)
- 我们依据库仑定律 \(F = k \frac{q_1q_2}{r^{2}}\) 写出 \(\mathrm{d}F_y\) 的表达式
\[ \mathrm{d}F_y = k\cdot \frac{Q\cdot \mathrm{d}q}{R^{2}} \sin \theta \]
- 继续计算 \(\mathrm{d}q\),因为要统一到一个便于计算的微分量
\[ \mathrm{d}q = \lambda\cdot \mathrm{d}l = \lambda R\cdot \mathrm{d} \theta \]
- 最终得到
\[ \begin{aligned} F_{\text{net}} &= \int \mathrm{d}F_y \\ &= \int_{0}^{\pi } k\cdot \frac{Q \lambda }{R} \sin \theta ~\mathrm{d}\theta \\ &= k\cdot \frac{Q \lambda }{R} \cdot \int_{0}^{\pi } \sin \theta ~\mathrm{d}x \\ &= k\cdot \frac{Q \lambda }{R} \left\vert \cos \theta \right\vert^{\pi }_0 \\ &= k\cdot \frac{2Q \lambda }{R} = \frac{Q \lambda }{2 \pi \epsilon_0} \end{aligned} \]
Motion 运动
- 如果有一些电荷粒子被放置在图中位置,左上角的
-Q的运动状态是什么,最后的运动位置是什么?

-Q粒子在到达两个+Q粒子之间的线时将停止运动,如果我们考虑到-Q的惯性,粒子可能会超过线一点点,并开始震荡。
Fields 电场
- 当空旷空间中的两个带电粒子相互作用时,每个粒子如何知道另一个粒子的存在?
- 就像万有引力一样,即使我们去掉粒子
B,粒子A仍然在提供电场力,我们希望即使在我们不提供另外一个粒子的情况下,仍然能考虑和计算A提供的力,而这通常是一个范围,我们便称之为电场。

- 电场的公式如下,
\[ \vec{\mathbf{E}} = \frac{\vec{\mathbf{F}}}{q} \quad \vec{\mathbf{F}} = q \vec{\mathbf{E}} \]
- 注意:这只是电场的定义式,而不是决定式
\[ \vec{\mathbf{E}} = k \frac{q}{r^{2}} \]
- 电场的方向如下:

- 电场线 是用于描述电场,虚拟的线

Electric Dipole Practice 电偶极子的练习


Charged Line Practice 线的电场

- 这个问题有着良好的对称性,所以 P 点在 \(\mathrm{d}E_y\) 上的分量均可以抵消,我们只需要考虑其在 \(\mathrm{d}E_x\) 上的分量,所以
\[ \mathrm{d}E = k\cdot \frac{\mathrm{d}Q}{r^{2}} = \mathrm{d}E_x = k\cdot \frac{\mathrm{d}Q}{r^{2}}\cdot \cos \alpha \]
- 因为这个轴的电荷是均匀分布的,所以 \(\lambda = \frac{Q}{2a}\)
\[ \mathrm{d}Q = \frac{Q}{2a} \cdot \mathrm{d}y \]
- 将其余的变量,\(\alpha , r^{2}\)转换为单一变量
\[ \begin{aligned} \mathrm{d}E_x &= k\cdot \frac{\frac{Q}{2a} \cdot \mathrm{d}y}{(x+y)^{2}}\cdot \frac{x}{\sqrt{x^{2} + y^{2}}} \\ \mathrm{d}E_x &= \frac{Qx}{8\pi \epsilon_0 a} \cdot \frac{dy}{(x^{2}+y^{2})^{\frac{3}{2}}} \end{aligned} \]
- 积分得
\[ \begin{aligned} E = \int \mathrm{d}E_x &= 2 \int_{0}^{a} \frac{Qx}{8\pi \epsilon_0 a} \cdot \frac{\mathrm{d}y}{(x^{2}+y^{2})^{\frac{3}{2}}} ~\mathrm{d}x \\ &= \frac{Qx}{4\pi \epsilon_0 a} \cdot \frac{y}{x^{2}\sqrt{x^{2}+y^{2}}}\bigg|^a_0 \\ &= \frac{Q}{4\pi \epsilon_0 x \sqrt{x^{2}+a^{2}}} \end{aligned} \]
当 \(a \to 0\), \(\frac{Q}{4\pi \epsilon_0 x^2}\), 你会发现公式就变成点电荷的公式了
当 \(a \to \infty\), \(x^{2} + a^{2} \thickapprox a^{2}\), \(\lambda = \frac{Q}{2a}\)
\[ E = \frac{Q}{4\pi \epsilon_0 x a} = \frac{\lambda}{2\pi \epsilon_0 x} \]
- 你只需要有一些与高斯定律有关的感觉,我们稍后会重新提到这一部分。
Charged Ring Practice 圆环的电场

- 同样地,这个问题依然有着良好的对称性,P 点在 \(\mathrm{d}E_y\) 上的分量均可以抵消,我们只需要考虑其在 \(\mathrm{d}E_x\) 上的分量,我们做相似的计算
\[ \mathrm{d}E = k\cdot \frac{\mathrm{d}Q}{r^{2}} = \mathrm{d}E_x = k\cdot \frac{\mathrm{d}Q}{r^{2}}\cdot \cos \alpha = \frac{1}{4\pi \epsilon_0} \cdot \frac{\mathrm{d}Q}{r^{2}}\cdot \frac{x}{r} \]
- 同样地,因为圆环的电荷均匀分布,所以 \(\lambda = \frac{Q}{2\pi a}\)
\[ \mathrm{d}E = \frac{1}{4\pi \epsilon_0} \cdot \frac{\mathrm{d}Q}{r^{2}}\cdot \frac{x}{r} = \frac{1}{4\pi \epsilon_0} \cdot \frac{\frac{Q}{2\pi a}\cdot \mathrm{d}l}{r^{2}}\cdot \frac{x}{r} \]
- 其中 \(x, a, r\) 均为常量,且 \(r = \sqrt{x^{2}+a^{2}}\) 所以我们得到
\[ E = \frac{1}{4\pi \epsilon_0} \cdot \frac{Q}{2\pi a}\cdot\frac{x}{(x^{2}+a^{2})^{\frac{3}{2}}} \int_{0}^{2\pi a} ~\mathrm{d}l = \frac{Q}{4\pi \epsilon_0}\cdot \frac{x}{(x^{2}+a^{2})^{\frac{3}{2}}} \]
- 当 \(x \to 0\), 我们很容易就可以得到 \(E = 0\), 因为所有方向上的电场线都被互相抵消了。
- 当 \(x \to \infty\), 我们也可以得到点电荷的电场式 \(E = \frac{1}{4\pi \epsilon_0}\cdot \frac{Q}{x^{2}}\)
Charged Disk Practice 圆盘的电场

- 首先,我们知道圆环的电场为 \(E = \frac{Q}{4\pi \epsilon_0}\cdot \frac{x}{(x^{2}+a^{2})^{\frac{3}{2}}}\),所以我们可以将这个圆盘切分成多个圆环,且因为圆盘的电荷密度为 \(\sigma\), 所以我们可以得到 \(\mathrm{d}Q = \sigma \cdot \mathrm{d} A\),又因为 \(\frac{\mathrm{d}A}{\mathrm{d}r} = (\pi r^{2})' = 2 \pi r\),所以 \(\mathrm{d}Q = \sigma \cdot \mathrm{d}A = \sigma \cdot 2 \pi r \cdot \mathrm{d}r\),所以我们有
\[ \mathrm{d}E = \frac{1}{4\pi \epsilon_0}\cdot \frac{x \cdot \mathrm{d}Q}{(x^{2}+r^{2})^{\frac{3}{2}}} = \frac{x \sigma}{4\pi \epsilon_0}\cdot \frac{ 2 \pi r \cdot \mathrm{d}r}{(x^{2}+r^{2})^{\frac{3}{2}}} \]
- 积分得
\[ E = \int \mathrm{d}E = \int_{0}^{R} \frac{x \sigma }{4 \epsilon_0} \cdot \frac{2r \mathrm{d}r}{(x^{2}+r^{2})^{\frac{3}{2}}}~\mathrm{d}x \]
- 使得 \(u = x^{2} + r^{2}\),得到 \(\frac{\mathrm{d}u}{\mathrm{d}r} = 2r \Leftrightarrow \mathrm{d}r = \frac{\mathrm{d}u}{2r}\),所以有
\[ \begin{aligned} E &= \int_{0}^{R} \frac{x \sigma }{4 \epsilon_0} \cdot \frac{2r \mathrm{d}r}{(x^{2}+r^{2})^{\frac{3}{2}}}~\mathrm{d}x \\ &= \frac{x \sigma }{4 \epsilon_0} \cdot \int_{0}^{R} \frac{\mathrm{d}u}{u^{\frac{3}{2}}} ~\mathrm{d}u \\ &= \frac{x \sigma }{2 \epsilon_0} \left[ - \frac{1}{\sqrt{x^{2} + R^{2}}} + \frac{1}{x}\right] \\ &= \frac{\sigma}{2 \epsilon_0}\left[ 1 - \frac{1}{\sqrt{(R^{2}/x^{2})+1}} \right] \end{aligned} \]
- 当 \(R \to 0\), 我们可以得到 \(E = \frac{\sigma }{2 \epsilon_0}\)
- 当 \(R \to \infty\),
我们可以得到相同的结果 \(E = \frac{\sigma }{2
\epsilon_0}\)
- 这也便是后面将会提到的,匀强电场的公式
AP FRQ Practice 真题练习

- 我们要求总电荷 \(Q\) 就积电荷的微分 \(\mathrm{d}Q\),首先确定 \(\mathrm{d}Q\)
\[ \begin{aligned} \mathrm{d}Q &= \lambda \cdot \mathrm{d}x = \alpha x \cdot \mathrm{d}x\\ \int_{0}^{L} ~\mathrm{d}Q &= \int_{0}^{L} \alpha x ~\mathrm{d}x = \frac{1}{2}\alpha L^{2} \end{aligned} \]
- 要求电场就确定 \(\mathrm{d}E\)
\[ \mathrm{d}E = \frac{1}{4 \pi \epsilon_0} \cdot \frac{\lambda_0 \mathrm{d}x}{(x+b)^{2}} \]
- 积分得
\[ \begin{aligned} E &= \frac{\lambda_0}{4\pi \epsilon_0} \int_{0}^{L} \frac{\mathrm{d}x}{(x+b)^{2}} ~\mathrm{d}x \\ &= \frac{\lambda_0L}{4 \pi \epsilon_0 b (b + L)} \end{aligned} \]

- 确定 \(\mathrm{d}Q\)
\[ \mathrm{d}Q = \lambda \cdot \mathrm{d}l = \lambda \cdot R \cdot \mathrm{d} \theta \]
- 可以参照之前的 Semicircle Model Practice 直接得到结果 \(F = \frac{Q \lambda }{2\pi \epsilon_0}\),得到 \(E = \frac{\lambda }{2\pi \epsilon_0}\)
\[ E = \frac{\lambda}{2\pi \epsilon_0 R} + \frac{\lambda }{2 \pi \epsilon_0 2R} = \frac{3\lambda }{4\pi \epsilon_0 R} \]
Uniform Electric Field 匀强电场
- 当有一个长度为 \(L\) 的平面, \(L \to \infty\), 那么我们可以视这个平面的所产生的电场,是匀强的,称为匀强电场.

在这两款平行板之间的电场便是 \(E = E_1 + E_2 = 2E_1 = 2E_2\)
AP 2016
C,\(R \gg x\) 所以满足无穷大平面,匀强电场

Electric Potential Energy & Electric Potential 电势能与电势
- 如果一个力是保守力,势能被表示为 \(U\)
\[ W_{a \to b} = \int_{a}^{b} \vec{F} ~ \mathrm{d}\vec{s} = U_a - U_b = -(U_b - U_a) = -\Delta U \]
- 当这个力使得电荷运动时,就有
\[ W_{a \to b} = K_b - K_a = U_a - U_b \Leftrightarrow U_a + K_a = U_b + K_b \]
- 即能量守恒
Electric Potential of Two Points 对比两个不同点的电势能

- 乍看上去好像左图和右图完全不一样,其实本质上右图在垂直电场线方向的分量可以完全忽略,也就是相当于如下图所示

- 由 点 \(a\) (这里 \(a\) 同样代表距离)沿圆线走到另外一个 点 \(a\),然后直接沿着电场线方向走到点 \(b\),所以对于上述两个情况的电势,我们都可以写成
\[ \begin{aligned} \Delta U = - W &= - \int F ~ \mathrm{d}r \\ &= -\int_{a}^{b} \frac{1}{4 \pi \epsilon_0} \frac{qq_0}{r^{2}} ~\mathrm{d}r \\ &= \frac{qq_0}{4\pi \epsilon_0} \int_{a}^{b} -\frac{1}{r^{2}} ~\mathrm{d}r \\ &= \frac{qq_0}{4\pi \epsilon_0}\cdot (\frac{1}{b} - \frac{1}{a}) = U_b - U_a \end{aligned} \]
- 而如果我们需要求单个点的电势能,我们首先要确定零点(无穷远处电势能为 \(0\)),可以写成
\[ \begin{aligned} U_b - U_a &= 0 - U_a = \frac{qq_0}{4\pi \epsilon_0}(0 - \frac{1}{a}) \\ U_a &= \frac{qq_0}{4\pi \epsilon_0 a} \end{aligned} \]
- 所以我们可以定义电势能为
\[ \begin{aligned} U &= \frac{1}{4\pi\epsilon_0}\frac{qq_0}{r} = q_0 Er \\ \Delta U &= \frac{qq_0} {4\pi\epsilon_0}\cdot(\frac 1b - \frac 1a) \end{aligned} \]
Electric Potential Energy of Parallel Plates 平行板的电势能

- 由于平行板可以视作无穷大平面,也就是匀强电场,可以得到 \(E = \frac{\sigma}{2 \epsilon_0}\)
- 其中 \(U = q_0 E \Delta x = \frac{\sigma q_0}{2 \epsilon_0} \cdot \Delta x\)
Graph of Electric Potential Energy 电势能的图像

- 如果两个点电荷相同,\(U\) 是正的,如果两个点电荷不相同, \(U\) 是负的
- 而又因为,点电荷之间相同,是斥力,所以力和位移的方向一致,\(U\) 是减少的
- 如果点电荷之间不同,是引力,所以力和位移的方向相反,\(U\) 是增加的
MCQ Practice 练习
- AP 2016:
B

注意: “work done by external forces” 是指外部力做的功,而非电场力做的功
AP 2016:
B

\[ \begin{aligned} K_0 &= - \Delta U_b = - \frac{qq_0} {4\pi\epsilon_0}\cdot(\frac 1{2d} - \frac 1{d})\\ K_1 &= - \Delta U_b = - \frac{qq_0} {4\pi\epsilon_0}\cdot(\frac 1{4d} - \frac 1{d}) \end{aligned} \]
- 所以我们可以得到 \(K_1 = \frac{3K_0}{2}\)
Electric Potential Energy of Several Point Charges 多个点的电势能
\[ U = \frac{q_0}{4\pi \epsilon}(\frac{q_1}{r_1}+ \frac{q_2}{r_2}+ \frac{q_3}{r_3} + \cdots ) = \frac{q_0}{4\pi \epsilon_0} \sum\limits_{i<j}^{} \frac{q_i q_j}{r_{ij}} \]
- Practice

\[ \begin{aligned} W_{\text{external}} + W_{\text{Electric Field}} = 0 &\Leftrightarrow W_{\text{external}} = - W_{\text{Electric Field}} \\ W_{\text{external}} &= - W_{\text{Electric Field}} \\ &= \Delta U \\ &= \frac{1}{4\pi \epsilon_0}\cdot \left( \frac{q_3q_1}{s}+\frac{q_3q_2}{s} \right) \end{aligned} \]
- AP 2015:
A

P 从当前位置到无穷远,同性相斥势能做功,所以 \(K = \frac{kQ^2}{s} + \frac{kQ^2}{s} = \frac{2kQ^2}{s}\)
Electric Potential 电势
- 由于电势总是与测试电荷 \(Q\) 有关,所以我们自然希望得到更普遍的势能形式。因此,这就是电势,意味着每单位电荷的电势 \(U\)
\[ \begin{aligned} V &= \frac{U}{q_0} \quad \text{or} \quad U = q_0 V \\ \pu{1 V} = \pu{1 volt} &= \pu{1 J*C-1} = \pu{1 \text{Joule}*Coulomb-1} \end{aligned} \]
Calculate of Electric Potential 电势的计算
电势是电场的属性,与电场一样,与测试电荷没有任何关系
点电荷
\[ V = \frac{U}{q_0} = \frac{1}{4 \pi \epsilon_0} \cdot \frac{q}{r} \]
- 电荷若是连续分布
\[ V = \frac{1}{4\pi \epsilon_0} \int \frac{\mathrm{d}q}{r} \]
Property of Electric Potential 电势的性质
- 我们知道功能定理 \(W = -\Delta U\), 所以我们自然地可以得到
\[ W = -q_0 \Delta V \]
- 我们也可以稍微更深入一些,发现他们之间的一些性质
\[ \begin{aligned} W = \int_{a}^{b} \vec{F} \cdot \mathrm{d}\vec{l} = q_0 \int_{a}^{b} \vec{E} \cdot \mathrm{d}\vec{l} &= -q_0\Delta V \\ \int_{a}^{b} \vec{E}\cdot \mathrm{d}\vec{l} &= \int_{a}^{b} E \cos \phi ~ \mathrm{d}l = \int_{a}^{b} E ~\mathrm{d}r = -\Delta V \\ E &= - \frac{\mathrm{d}V}{\mathrm{d}r} \end{aligned} \]
- 电势是一个标量,所以两个电势之和是代数和,而不是矢量和。
Electric Potential of Parallel Plates 平行板的电势

- 我们可以很容易地得到平行板的电动势,即
\[ \left\vert \Delta V \right\vert = \left\vert -\int_{0}^{d} E ~\mathrm{d}r \right\vert = E\cdot d \]
- 因此,我们可以对平行板的电势得出一个一般性的结论,即 \(\left\vert \Delta V \right\vert = E\cdot d\)
Equipotential Surfaces 等势面
等势面是一个三维表面,其上每一点的电势 \(V\) 都相同。
如果有一个 测试电荷 \(Q\) 在这样的表面上从一点移动到另一点,电势 \(V\) 保持不变,所以电场所做的功 \(W\) 为 \(0\)。
电场线与等势面一定是相互垂直的,即 \(\vec{F} \perp \mathrm{d}\vec{s} \perp \vec{E}\)

- 所以我们可以观察到 \(E = - \frac{\mathrm{d}V}{\mathrm{d}r}\), 负号 意味着电势随着电场线方向而减少。
MCQ Practice 练习
- AP 2012:
B E D

- 同样的是问 “external
force”,所以我们需要找到电势增加的方向就是外部力做正功
- 外部力做正功—增加电势(需要外部的力量克服 \(F_e\) 做功),内部力做正功—减少电势(电势被转化为内部力正功)
- AP 2015:
A E

\(E = - \frac{\mathrm{d}V}{\mathrm{d}r}\) 所以 \(V\) 变化越快,\(E\) 越大
\(W_{\text{electric field}} = -q_0 \cdot \Delta V = \pu{-2.0 \mu C} \cdot \pu{(7.0 - (- 1.0 )) V} = \pu{16 \mu J}\)
AP 2016:
B
\(E = - \frac{\mathrm{d}V}{\mathrm{d}r}\) 因为 \(E = 0\),所以 \(\frac{\mathrm{d}V}{\mathrm{d}r} = 0\)
或者说 \(\Delta V = -\int E \mathrm{d}r\) 因为 \(E = 0\),所以 \(\Delta V = 0\)
Gauss’s Law 高斯定律
- 高斯定律即在一个假象的,封闭的曲面上的电通量满足如下关系
\[ \phi_E = \frac{Q_{\text{enc}}}{\epsilon_0} \]
- 其中,电通量计算如下
\[ \phi_E = \oint \vec{\mathbf{E}} \cdot \mathrm{d}\vec{\mathbf{A}} = \frac{Q_{\text{enc}}}{\epsilon_0} \]
- 通量可以类比为水流以速度 \(\vec{\mathbf{v}}\) 在平面 \(\vec{\mathbf{A}}\) 上的投影于 \(A\) 的乘积,也就是 \(\vec{\mathbf{v}}\) 与 \(\vec{\mathbf{A}}\) 的点积
- 求流量就是要,先求流过的体积 也就是 \(V = \vec{\mathbf{A}} \cdot \vec{\mathbf{v}} \cdot t\),但是我们要的是流量,单位时间内的流过的体积,\(V = \frac{\vec{\mathbf{A}} \cdot \vec{\mathbf{v}} \cdot t}{t} = \vec{\mathbf{A}} \cdot \vec{\mathbf{v}}\)


Cube Model Practice 块模型

- 无论
a, b问,对于整体而言,\(\phi _{\text{total}} = 0\),若单独分析a就是 \(A = L^{2}\),b就是 \(A = L^{2} \cdot \cos (90^{\circ} - \theta )\)
Simple Point Charge Model 简单点电荷模型

- 定义单位向量方向为 \(\hat{r}\),对于圆球而言,有良好的几何性质,对于所有的 \(\hat{r}\) 都有 \(\hat{r} \perp \vec{\mathbf{A}}\)
- 其中,圆球的表面积为 \(A = 4\pi r^{2}\),另附 \(V = \frac{4}{3}\pi r^{3}\)
\[ \begin{aligned} \phi_E &= \oint \vec{\mathbf{E}} \cdot \mathrm{d}\vec{\mathbf{A}} \\ &= \oint \frac{1}{4\pi \epsilon_0} \frac{q}{r^{2}}\cdot \hat{r}\cdot \mathrm{d}\vec{\mathbf{A}} \\ &= \frac{1}{4\pi \epsilon_0}\cdot \frac{q}{r^{2}} \oint \mathrm{d}A \\ &= \frac{1}{4\pi \epsilon_0}\cdot \frac{q}{r^{2}} \cdot 4\pi r^{2} \\ &= \frac{q}{\epsilon_0} \end{aligned} \]
- 我们可以观察到,这个结果与高斯定律不约而同 \(\phi_E = \frac{Q_{\text{enc}}}{\epsilon_0}\)
Gaussian Surface 高斯面
- 高斯面是假象地,且封闭地曲面

- 如
a,你可以选非常复杂的曲面和简单的球面,结果都是一样的 - 但如果选取的假象面没有包裹点电荷,那么所包裹的电荷就是 \(0\),电通量也会是 \(0\)
How to Choose Gaussian Surface 如何选择高斯面
- 最好为对称的,电场上处处相等,电场与面垂直或者平行

- AP 考试脱离不了这三种简单模型
- 同心球面,适用于 球形对称的电荷分布
- 圆柱壳,适用于 长直导线,有中心轴,绕中心轴不变的电荷分布
- 被平面平分的圆柱,适用于 (有厚度的)无限大平面( $$ 是常量 )
Improved Simple Point Charge Model 点电荷模型

- 首先对于点电荷 \(+Q\) 我们构造同心球面的假象高斯面,由于 \(E = k\cdot \frac{q}{r^{2}}\) 只与 \(r\) 有关,所以我们可以将高斯面上的任意一点 \(E\) 认为是恒定且相等的。
\[ \begin{aligned} \phi_E &= \oint \vec{\mathbf{E}} \cdot \mathrm{d}\vec{\mathbf{A}} = \frac{Q_{\text{enc}}}{\epsilon_0} \\ &= E \cdot \oint \mathrm{d}A \\ &= E \cdot 4\pi r^{2} = \frac{Q_{\text{enc}}}{\epsilon_0} \end{aligned} \]
- 所以我们可以得到 \(E = \frac{Q_{\text{enc}}}{4\pi r^{2}\epsilon_0}\)
MCQ Practice 练习
- AP:
C A

显然地,无论用 A 还是 B 包裹 \(+q\),\(Q_{\text{enc}}\) 始终是不会变化的
AP 2016:
A

- 显然地,
Q的电场线将进入圆柱又从圆柱中出来,总和为 \(0\)
Conducted Sphere Model 导体圆球模型

首先,导体意味着电荷都将分布在边缘,也就是中心没有任何电荷
所以在球内 \(E = 0\)
对于球外
\[ \begin{aligned} \phi_E &= \oint \vec{\mathbf{E}} \cdot \mathrm{d}\vec{\mathbf{A}} = \frac{Q_{\text{enc}}}{\epsilon_0} \\ &= E\cdot 4 \pi r^{2} = \frac{Q_{\text{enc}}}{\epsilon_0} = \frac{q}{\epsilon_0} \end{aligned} \]
所以 \(E = \frac{1}{4 \pi \epsilon_0}\cdot \frac{q}{r^{2}}\),与点电荷一致
其关系也可以由下图观察

Improved Sphere Model 复杂圆球模型

- 首先我们发现电荷并不是均匀分布,但是仍然沿着径向分布,也就是说同一个球面上的 $$ 是一致的,且球面上点的电磁学性质也是等价的
- 对于球内,我们选取半径为 \(R\) 的高斯面
\[ \begin{aligned} \phi_E &= \oint \vec{\mathbf{E}} \cdot \mathrm{d}\vec{\mathbf{A}} = E \cdot \oint \mathrm{d}A = \frac{Q_{\text{enc}}}{\epsilon_0} \\ &= E \cdot 4\pi R^{2} = \frac{Q_{\text{enc}}}{\epsilon_0} \\ \end{aligned} \]
- 对于 \(Q_{\text{enc}}\) 我们有
\[ \begin{aligned} Q_{\text{enc}} &= \int_{0}^{R} \rho_0(\frac{r}{a})^{2} \cdot 4\pi r^{2} ~\mathrm{d}r \\ &= \frac{4\pi \rho_0}{a^{2}}\cdot \frac{R^{5}}{5} = \frac{4\pi R^{5} \rho_0}{5a^{2}} \\ \end{aligned} \]
- 所以对于 \(E\) 我们有
\[ E \cdot 4\pi R^{2} = \frac{4\pi R^{5} \rho_0}{5a^{2}\epsilon_0} \Leftrightarrow E = \frac{\rho_0 R^{3}}{5a^{2}\epsilon_0} \]
- 同样地对于球外,我们选取半径为 \(r\) 的高斯面
\[ \begin{aligned} Q_{\text{enc}} &= \int_{0}^{a} \rho_0(\frac{r}{a})^{2} \cdot 4\pi r^{2} ~\mathrm{d}r \\ &= \frac{4\pi \rho_0}{a^{2}}\cdot \frac{a^{5}}{5} = \frac{4\pi a^{5} \rho_0}{5a^{2}} = \frac{4\pi a^{3} \rho_0}{5} \\ \end{aligned} \]
- 所以对于 \(E\) 我们有
\[ E \cdot 4\pi r^{2} = \frac{4\pi a^{3} \rho_0}{5 \epsilon_0} \Leftrightarrow E = \frac{\rho_0 a^{3}}{5\epsilon_0 r^{2}} \]
Electric Potential of Sphere Model 复杂球模型的电势
Long Line Model 无限长直导线模型

- 首先,构造高斯面,选取了半径为 \(r\) 的圆柱体,以图示方式放置,由于是无限长直导线,我们可以将每个方向上的电场看作是匀强电场,如下图所示

- 而左右两个面方向上显然是没有电通量的,所以我们不考虑,便直接计算圆柱面上的电通量
- 圆柱面上的匀强电场有很良好的性质,都是大小相等的
\[ \begin{aligned} \phi_E &= \oint \vec{\mathbf{E}} \cdot \mathrm{d}\vec{\mathbf{A}} = E \cdot \oint \mathrm{d}A = \frac{Q_{\text{enc}}}{\epsilon_0} \\ &= E \cdot 2\pi x = \frac{Q_{\text{enc}}}{\epsilon_0} \\ \end{aligned} \]
- 对于 \(Q_{\text{enc}}\) 我们有
\[ \begin{aligned} Q_{\text{enc}} &= x \cdot \frac{Q}{L} \end{aligned} \]
- 所以对于 \(E\) 我们有
\[ E = \frac{Q/L}{2\pi \epsilon_0 r} = \frac{\lambda }{2\pi \epsilon_0 r} \]
Electric Potential of Long Line Model 无限长直导线模型的电势

- 若要计算电势,考虑上图
a, b两点的电势差,我们知道 $V_{ab} = -_{a}^{b} E ~r $
\[ \Delta V_{ab} = -\int_{a}^{b} E ~\mathrm{d}r = -\int_{a}^{b} \frac{1}{2\pi \epsilon_0} \cdot \frac{\lambda }{r} ~\mathrm{d}r = \frac{\lambda }{2\pi \epsilon_0} \ln \frac{a}{b} \]
(注: 这里将负号转化为了 $$ 对数内的 \(\frac{b}{a}^{-1}\) 次方 也就是 \(\frac{a}{b}\))
- 则有 \(\Delta V_{ab} = \frac{\lambda}{2\pi\epsilon_0} \ln \frac ab\), \(V = \frac{\lambda}{2\pi\epsilon_0}\ln \frac{L+d}{d}\)
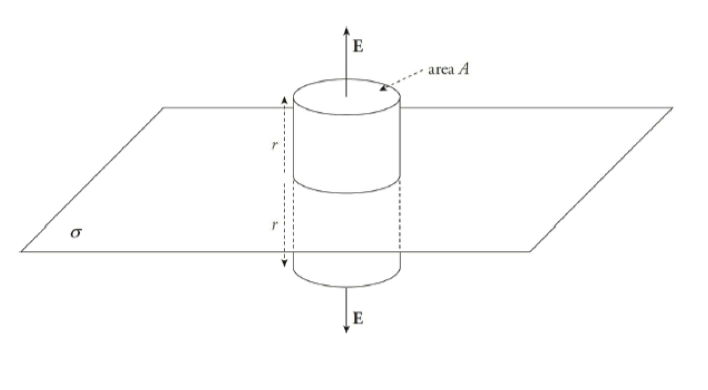
Plate Model 无穷大平面模型

- 首先,构造高斯面,以如图所示的方式构造半径为 \(r\) 的圆柱,我们可以将上下两个方向的电场看作是匀强电场
- 所以只有上下两个面需要考虑,圆柱面的电通量为 \(0\) 不需要考虑
- 由于是匀强电场,同样具有很良好的性质,都是大小相等的
\[ \begin{aligned} \phi_E &= \oint \vec{\mathbf{E}} \cdot \mathrm{d}\vec{\mathbf{A}} = 2E \cdot \oint \mathrm{d}A = \frac{Q_{\text{enc}}}{\epsilon_0} \\ &= 2E \cdot \pi r^{2} = \frac{Q_{\text{enc}}}{\epsilon_0} \\ \end{aligned} \]
- 对于 \(Q_{\text{enc}}\) 我们有
\[ Q_{\text{enc}} = \pi r^{2} \sigma \]
- 所以对于 \(E\) 我们有
\[ E = \frac{\pi r^{2} \sigma}{2\pi r^{2} \epsilon_0 } = \frac{\sigma }{2\epsilon_0 } \]
- 对于无穷大平面模型的电势 已经在 Electric Potential of Parallel Plates 讨论,不重复赘述
Charged Ring Model 圆环模型

对于已经讨论过的 Charged Ring Practice,我们知道 \(E = \frac{Q}{4\pi \epsilon_0}\cdot \frac{x}{(x^{2}+a^{2})^{\frac{3}{2}}}\),若使用电场直接积分,过程会十分曲折复杂
所以我们考虑其 \(x_1 \to x_2\) 的电势差 \(\Delta V\),通过对点电荷电势进行积分
\[ \begin{aligned} \mathrm{d}V &= \frac{1}{4\pi \epsilon_0}\cdot \frac{\mathrm{d}Q}{r} \\ ~ \\ V &= \int \mathrm{d}V = \frac{1}{4\pi \epsilon_0 \cdot r} \cdot \int \mathrm{d}Q = \frac{Q}{4 \pi \epsilon_0} \cdot \frac{1}{\sqrt{x^{2} + a^{2}}} \end{aligned} \]
- 自然地,\(\Delta V\) 可以求得
\[ \Delta V = kQ(\frac{1}{\sqrt{x_2^2 +a^2}} - \frac{1}{\sqrt{x_1^2+a^2}}) \]
AP FRQ Practice 练习

\[ \begin{aligned} Q &= \int_{a}^{2a} \rho ~\mathrm{d}V = \int_{a}^{2a} br^{2}\cdot 4\pi r^{2} ~\mathrm{d}r \\ &= 4 \pi b \cdot \frac{r^{5}}{5} \bigg|^{2a}_{a} = \frac{124 \pi b a^{5}}{5} \end{aligned} \]
- \(r > 2a\)
\[ \begin{aligned} E \cdot 4\pi r^{2} &= \frac{Q_{\text{enc}}}{\epsilon_0} = \frac{124 \pi b a^{5}}{5} \\ E &= \frac{31 b a^{5}}{5r^{2} \epsilon_0} \end{aligned} \]
- \(r < a\),高斯面内无电荷,\(E = 0\)

- \(r < R\)
\[ E \cdot 2 \pi r x = \frac{Q_{\text{enc}}}{\epsilon_0} = \frac{\rho \pi r^{2} x }{\epsilon_0} E = \frac{\rho r}{2 \epsilon_0} \]
- \(r > R\)
\[ E \cdot 2\pi rx = \frac{Q_{\text{enc}}}{\epsilon_0} = \frac{\rho \pi R^{2} x }{\epsilon_0} E = \frac{\rho R^{2}}{2 r \epsilon_0} \]

AP MCQ Practice MCQ 练习
AP 2013:
A
\(E = \frac{\lambda}{2\pi \epsilon_0 r}\), 所以 \(E \propto \frac{1}{r}\)
AP 2013:
E

- 通过圆环的电势公式可知 \(V = kQ(\frac{1}{\sqrt{x_2^2 +a^2}} - \frac{1}{\sqrt{x_1^2+a^2}})\)
总结
\(\Delta U = \frac{qq_0}{4\pi\epsilon_0}\cdot(\frac 1b - \frac 1a)\)
\(W = -q_0 \Delta V\)
\(E = - \frac{\mathrm{d}V}{\mathrm{d}r}\)
\(\phi_E = \oint \vec{\mathbf{E}} \cdot \mathrm{d}\vec{\mathbf{A}} = \frac{Q_{\text{enc}}}{\epsilon_0}\)
半圆模型
- \(E = \frac{\lambda }{2\pi \epsilon_0}\)
线模型
- \(E = \frac{Q}{4\pi \epsilon_0 x \sqrt{x^{2}+a^{2}}}\)
圆环
- \(E = \frac{kQx}{(x^2+a^2)^{\frac 32}}\), \(\Delta V = kQ(\frac{1}{\sqrt{x_2^2 +a^2}} - \frac{1}{\sqrt{x_1^2+a^2}})\)
圆盘
- \(E = \frac{x \sigma }{2 \epsilon_0} \left[ - \frac{1}{\sqrt{x^{2} + R^{2}}} + \frac{1}{x}\right] = \frac{\sigma}{2 \epsilon_0}\left[ 1 - \frac{1}{\sqrt{(R^{2}/x^{2})+1}} \right]\)
圆球
- \(V = \frac 34\pi r^3\), \(\mathrm{d}V = 4\pi r^2 \mathrm{d} r\)
- \(E_{\text{inner}} = \frac{kQr}{R^3}\) (非导体) \(E_{\text{outer}} = \frac{kQ}{r^2}\)
- \(V_{\text{inner}} = kQ\frac{3R^2-r^2}{2R^3}\), \(V_{\text{outer}} = kQ (\frac 1{r_a} - \frac 1{r_b})\)
- \(C = \frac{\epsilon_0 \cdot 4\pi r_a r_b}{r_b - r_a}\)
空心圆球
- \(V = \frac 34\pi (R^3-r^3)\), \(\mathrm{d} V = 4\pi r^2 \mathrm{d} r\) (与圆球一致)
- \(E_{\text{inner}} = 0\) \(E_{\text{outer}} = \frac{kQ}{r^2}\)(匀质)
无穷长直导线
- \(E = \frac{Q/L}{2\pi r \epsilon_0} = \frac{\lambda}{2\pi r \epsilon_0}\), \(\Delta V = \frac{\lambda}{2\pi\epsilon_0} \ln \frac ab\), \(V = \frac{\lambda}{2\pi\epsilon_0}\ln \frac{L+d}{d}\)
- \(C= \frac{2\pi\epsilon_0}{\ln \frac{r_b}{r_a}}\)
无穷大平面(匀强电场)
- \(E = \frac{\sigma}{2\epsilon_0}\) ,\(\left\vert \Delta V \right\vert = E\cdot d\)
平行板电容器
- \(E = \frac{Q}{\epsilon_0A}\), \(V = \frac{Qd}{\epsilon_0A}\), \(\left\vert \Delta V \right\vert = E\cdot d\)
- \(C = \epsilon_0\frac{A}{d}\)
